皇冠体育官网
热门标签

世界杯皇冠信用盘平台_致3死1伤!深圳公布一起较大火灾事故调查报告

时间:2023-05-19   阅读:3027   评论:2

皇冠信用平台出租出售www.9990088.com—)开会员号,招代理/条件好/平台出租/招登1登2登3地区代理今天(5月18日)

“深圳消防”公布

深圳市坪山区“12·22”较大火灾事故调查报告

事故造成3人死亡1人受伤

直接经济损失103.88万元

世界杯皇冠信用盘平台_致3死1伤世界杯皇冠信用盘平台!深圳公布一起较大火灾事故调查报告

2022年12月22日凌晨2时许,深圳市坪山区马峦街道坪环社区心海城小区8B803房发生一起火灾事故,过火面积15平方米,造成3人死亡1人受伤,火灾经济损失103.88万元世界杯皇冠信用盘平台。

根据相关规定,深圳市人民政府联合调查组对事故开展了调查并形成了事故调查报告世界杯皇冠信用盘平台。目前,深圳市人民政府已批复该报告,现予以公示。

详情如下

深圳市坪山区

“12·22”较大火灾事故调查报告

2022年12月22日凌晨2时许,深圳市坪山区马峦街道坪环社区心海城小区8B803房发生一起火灾事故,过火面积15平方米,造成3人死亡1人受伤,火灾经济损失103.88万元世界杯皇冠信用盘平台。

根据《国务院办公厅关于印发消防安全责任制实施办法的通知》(国办发〔2017〕87号)有关规定和应急管理部消防救援局《关于开展火灾延伸调查强化追责整改的指导意见》(应急消〔2019〕266号)相关要求,经市政府批准,成立了事故调查组,由市消安委副主任、市消防救援支队支队长王帅任组长,市应急管理局二级巡视员李频、市消防救援支队副支队长曹刚、坪山区常务副区长袁虎勇任副组长,市应急管理局、公安局、消防救援支队、住房和建设局、司法局、总工会及坪山区政府为成员单位,在市消安委办的牵头下对事故展开调查世界杯皇冠信用盘平台。

展开全文

事故调查组按照“一案三查”和“实事求是、尊重科学”的原则,通过现场勘查、查阅资料、调查取证、技术鉴定和专家论证等,查明了事故发生的原因、经过、人员伤亡和直接经济损失等情况,认定了事故性质和责任,提出了对相关责任单位和责任人员的处理建议世界杯皇冠信用盘平台。同时,针对事故原因及暴露出的问题,提出了事故防范措施建议。

通过技术勘验和调查询问,排除放火嫌疑、外来火源、雷击和电气线路引发火灾世界杯皇冠信用盘平台。经事故调查认定,深圳市坪山区马峦街道“12·22”火灾事故是一起商品房小区住宅内的非生产经营性较大火灾事故。

一、起火场所概况

(一)小区规划建设情况

起火建筑所在地为08地块,该地块由公共配套用房、商业及A栋、B栋、C栋共3栋高层住宅塔楼组成世界杯皇冠信用盘平台。其中:地下室2层,为停车库及设备用房;地上一层为配套用房、商业及架空自行车停放区,二层为配套用房及商业,三层、四层局部为商业,五层及以上是住宅。A栋32层,建筑高度98.2米,三层及以上为高层住宅;B栋27层,建筑高度83.65米,一、二层是商铺,三至四层为架空层,五层及以上为高层住宅;C栋26层,建筑高度85.2米,四层及以上为高层住宅,公共区域设置有室内外消火栓系统、自动喷淋灭火系统、自动扫描射水高空水炮系统、火灾自动报警系统、防排烟系统、气体灭火系统。

(二)起火建筑和房屋情况

起火建筑为心海城小区一期08地块B栋,钢筋混凝土结构,单层建筑面积约739.28平方米,属一类高层住宅建筑世界杯皇冠信用盘平台。

世界杯皇冠信用盘平台_致3死1伤世界杯皇冠信用盘平台!深圳公布一起较大火灾事故调查报告

(图1 心海城卫星定位图)

世界杯皇冠信用盘平台_致3死1伤世界杯皇冠信用盘平台!深圳公布一起较大火灾事故调查报告

(图2 事故建筑方位图)

世界杯皇冠信用盘平台_致3死1伤世界杯皇冠信用盘平台!深圳公布一起较大火灾事故调查报告

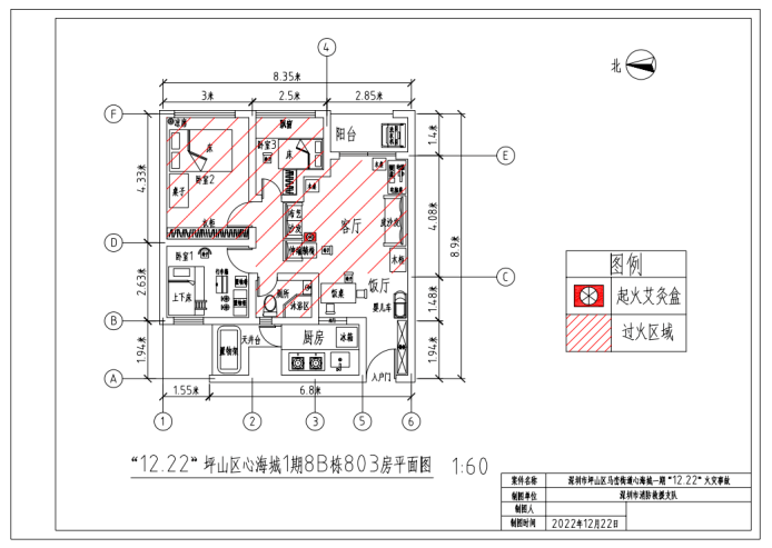
(图3 803房平面图)

(三)其世界杯皇冠信用盘平台他相关情况

根据深圳市坪山区住房和建设局(以下简称“坪山区住房和建设局”)提供情况,起火房屋规划为两房户型,由深圳市心海腾楗投资发展有限公司(以下简称“心海腾楗公司”)投资建设,深圳市心海城物业管理有限公司提供物业管理服务世界杯皇冠信用盘平台。

该房产项目于2016年2月2日取得《建设工程施工许可证》,2018年4月27日完成工程规划验收,2018年6月15日完成项目竣工验收备案世界杯皇冠信用盘平台。项目竣工验收备案通过后,首任房屋产权人冯某委托第三方施工单位对所持房屋进行改造,由规划二房改造成三房。改造完成后心海腾楗公司委托深圳市宏辉建设实业有限公司对业主改造完成的房屋进行附赠装修,并于2018年10月底集中交付业主,同年11月开始由深圳市心海城物业管理有限公司一期物业服务中心(以下简称“心海城物业公司”)提供物业服务并开始收取费用。

二、相关单位概况(一)涉事小区开发商企业情况(二)涉事小区物业服务企业情况(三)涉事小区消防维保企业情况(四)涉事产品供应商企业及产品自身情况

经行业部门核查,涉事产品艾灸蒲团不符合《医疗器械分类目录》中灸疗设备的产品描述和预期用途,其不属于医疗器械世界杯皇冠信用盘平台。涉事产品艾灸蒲团没有国家标准,上述公司于2021年10月11日发布了《深圳谢氏艾业艾灸有限公司企业标准 艾灸蒲团》(Q/SZXS 003-2021),其可以按照该企业标准生产产品,并经质检合格后上市销售。

三、事故发生经过、灭火救援、政府应急处置及善后情况

(一)事故发生经过

2022年12月22日凌晨2时3分许,心海城一期消防控制室消防主机发出报警信息,显示心海城一期08地块B栋8层公共通道光电探测器有火警信号,消防控制室值班人员蒋秋菊随即通知巡逻岗赵传鹏前往现场查明相关情况世界杯皇冠信用盘平台。

2时6分许,消防主机显示8B8层电梯合用前室光电探测器有火警信号,蒋秋菊再次传呼赵传鹏赶赴现场核实火警情况,赵传鹏到达现场后发现803室门缝有淡淡烟雾、门把手发烫,敲门未得到响应,赵传鹏立即通过对讲机向蒋秋菊反馈现场情况,蒋秋菊立即通知值班班长郭正洪前往现场处置,并拨打119报警世界杯皇冠信用盘平台。

同时,08地块车场岗张松松在值班岗位听见呼救声,在确认呼救地点及相关情况后,到大堂携带灭火器赶赴现场世界杯皇冠信用盘平台。赵传鹏、郭正洪、张松松尝试利用灭火器破门未果,随后张松松从消防控制室取来消防斧和液压钳将门打开,现场同步疏散楼栋住户。着火房屋有浓烟冒出,803室门外公共通道自动喷水灭火系统发生动作,物业值班人员利用消火栓向屋内喷水控制火势。此时,大万消防救援站人员到达现场进行搜救。

(二)灭火救援情况

事发当日凌晨2时6分许,深圳市119消防指挥中心接到报警称:位于坪山区马峦街道比亚迪路心海城1期2区B栋803室着火世界杯皇冠信用盘平台。2时6分46秒,根据119消防指挥中心调度命令,首批力量大万消防救援站、沙壆小型站赶往现场;随即,大亚湾特勤二站、坑梓站、和平小型站相继到场增援。深圳市坪山区消防救援大队全勤指挥组遂行出动,现场共调派消防车15台、消防指战员74名开展灭火救援。

2时13分许,大万消防救援站首先到达现场,立即进行火情侦察,发现有人员被困,房间内火势猛烈,浓烟滚滚,指挥员迅速组织展开内攻,利用室内消火栓出动3支水枪灭火世界杯皇冠信用盘平台。同时,在外部展开云梯消防车,利用水炮出水压制火势,对着火房屋采取边灭火降温、边内攻搜救;坚决遏制火势蔓延扩大,持续组织疏散着火楼栋住户。期间,消防救援人员从着火房屋内三个房间先后救出5名被困人员,其中3名被困人员经120医护人员现场确认无生命体征。3时11分许,现场完成清理工作。

(三)政府应急处置情况

事故发生后,各级各部门高度重视,省应急管理厅王中丙厅长、省消防救援总队张明灿总队长接到报告后立即作出一系列批示,为火情应急处置提供坚强领导和科学指导;同时,迅速派出火灾调查专家组赶赴现场指导开展工作世界杯皇冠信用盘平台。

深圳市委、市政府第一时间启动应急响应,孟凡利书记、覃伟中市长、余新国副书记、黄敏常务副市长、张玲部长接报后第一时间作出批示,要求迅速扑灭火情,全力救治受伤人员,妥善安抚好家属世界杯皇冠信用盘平台。深圳市消防救援支队王帅支队长、深圳市应急管理局二级巡视员李频带队迅速到达现场,协调公安、应急管理、消防救援等部门及时开展调查联动工作。

坪山区杨军书记第一时间调度处置,赵嘉区长、袁虎勇常务副区长、宋逸阳副区长等领导迅速到场,组织消防救援大队、应急管理局、公安分局和马峦街道办等相关部门开展救援工作世界杯皇冠信用盘平台。

现场要求区卫健局指导医院不惜一切代价全力救治伤者;区公安分局、区消防救援大队依法开展事故原因调查;区委宣传部做好信息发布,及时回应网民和社会关注热点,大力加强消防安全宣传科普提示;马峦街道及社区全力做好善后工作世界杯皇冠信用盘平台。

同时,立即要求针对存在问题和不足立行立改,全区各街道各部门举一反三,对市民用火、用电、用气等安全工作,加强社会面安全宣传提示,迅速开展火患排查整治,坚决遏制此类事故发生,确保人民生命财产安全世界杯皇冠信用盘平台。

(四)灭火救援和应急处置评估情况

综上,此次事故灭火救援工作应急响应迅速,组织指挥到位,采取措施得当,信息报送畅通及时,未发现灭火救援工作组织领导、施救队员和其他工作人员失职、渎职现象世界杯皇冠信用盘平台。

(五)善后处理情况

事故发生后,坪山区赵嘉区长、袁虎勇常务副区长、宋逸阳副区长等领导赶赴现场指导,部署了善后处置工作,马峦街道办第一时间成立了善后处置小组,制定多套可行性预案,周密安排处置流程,“多对一”开展善后工作世界杯皇冠信用盘平台。

马峦街道协调市第二人民医院全力开展烧伤男童救治,街道主要领导带队赴救治医院开展慰问,安排好专业护工陪护、医药费用垫付等相关事宜,并安排专人跟进,及时反馈和掌握救治情况世界杯皇冠信用盘平台。安排专人对接遇难者家属,全程做好心理安抚和陪护工作。

同时,马峦街道多渠道组织开展慈善救助,为事故家庭共募得善款130余万元,并在政策允许范围内开展帮扶;待宋某泽出院后,由其父宋某向坪环社区提交发票等凭证资料,申请坪山区慈善救助世界杯皇冠信用盘平台。及时对接邻居受灾受损群众,努力化解各种矛盾,积极协调商议事故赔偿相关事宜。有序的善后工作,最大限度地降低此次事故造成的影响,遇难者家属情绪稳定,积极配合各项后续事宜。

四、火灾事故伤亡及直接经济损失评估情况

事发住宅内居住一家5口,三名死者分别为被救男主人宋某妻子、女儿和岳母,伤者为其儿子世界杯皇冠信用盘平台。相关信息如下:

(一)死亡人员情况(3人)

(二)受伤人员情况(1人)

根据深圳市公安局坪山分局马峦派出所委托广东中一司法鉴定中心的检验结果,上述三人死亡原因均系烧死世界杯皇冠信用盘平台。

(三)直接经济损失评估情况

五、火灾现场技术勘查情况

(一)火灾现场情况

此次火灾集中在心海城一期08地块B栋803室内,入门后,北侧由西向东依次为厨房、卫生间、卧室1、卧室2、卧室3,南侧为客厅(图4)世界杯皇冠信用盘平台。

世界杯皇冠信用盘平台_致3死1伤世界杯皇冠信用盘平台!深圳公布一起较大火灾事故调查报告

(图4 房间布局情况)

经现场勘验——

1.厨房整体未见过火,有烟熏痕迹,呈上重下轻,冰箱表面有高温炙烤变色痕迹,呈下轻上重,厨房内塑料制品被高温熔融世界杯皇冠信用盘平台。

2.卫生间整体有烟熏及高温炙烤痕迹,呈上重下轻,天花部分批荡剥落,卫生间门烧损,门框碳化严重,呈上重下轻世界杯皇冠信用盘平台。

3.卧室1西北角放有一木制上下床铺,南侧放有塑料收纳柜,均完好,房间有轻微烟熏痕迹,卧室门外表面烧损严重,左上角烧穿(图5)世界杯皇冠信用盘平台。

4.卧室2全面过火,墙面烧损严重,批荡严重脱落,露出内部砖块,卧室门完全烧毁,门框碳化严重(图6)世界杯皇冠信用盘平台。

5.卧室3过火痕迹由卧室门向窗户逐渐减轻,靠近门口的墙面批荡脱落严重,卧室门完全烧毁,门框碳化严重(图7)世界杯皇冠信用盘平台。

世界杯皇冠信用盘平台_致3死1伤世界杯皇冠信用盘平台!深圳公布一起较大火灾事故调查报告

(图5 卧室1 现场情况)

世界杯皇冠信用盘平台_致3死1伤世界杯皇冠信用盘平台!深圳公布一起较大火灾事故调查报告

(图6 卧室2 现场情况)

世界杯皇冠信用盘平台_致3死1伤世界杯皇冠信用盘平台!深圳公布一起较大火灾事故调查报告

(图7 卧室3 现场情况)

6.客厅南侧中部摆放黑色皮质沙发,表面过火,露出框架木头(图8)世界杯皇冠信用盘平台。客厅北侧中部摆放布艺沙发,顶上天花石膏板脱落严重,露出金属龙骨,并以此为中心向四周逐渐减轻(图9)。

世界杯皇冠信用盘平台_致3死1伤世界杯皇冠信用盘平台!深圳公布一起较大火灾事故调查报告

(图8 客厅黑色皮质沙发烧损情况)

世界杯皇冠信用盘平台_致3死1伤世界杯皇冠信用盘平台!深圳公布一起较大火灾事故调查报告

(图9 沙发顶部天花烧损情况)

(二)火灾原因认定

火灾发生后,市、区消防救援机构第一时间开展火灾调查工作,迅速走访询问有关人员,及时了解火灾相关情况世界杯皇冠信用盘平台。在此基础上,对火灾现场进行详细勘查,具体如下:

1.起火时间认定

(1)心海城小区消防控制室内的火灾自动报警系统显示:2时03分世界杯皇冠信用盘平台,8B8层公共通道的感烟火灾探测器发出火警信号;

(2)深圳市消防救援支队指挥中心接警记录显示,该起火灾最早报警的时间为2时06分34秒世界杯皇冠信用盘平台。

(3)住户上网记录后台系统显示,8B803房内最早断网时间为2时06分01秒世界杯皇冠信用盘平台。

综上所述,认定起火时间为2022年12月22日2时许世界杯皇冠信用盘平台。

2.起火部位认定

根据客厅痕迹勘验及艾灸盒残骸烧蚀痕迹鉴定情况,起火部位认定为8B803房客厅中部布艺沙发处(距南墙2.9米至3.7米,距西墙4.2米至6.0米)世界杯皇冠信用盘平台。主要依据如下:

(1)客厅中部布艺沙发处底部木地板烧蚀碳化痕迹明显,且南侧边界线明显,沙发西南侧地面烧蚀程度最重,有向卧室蔓延痕迹(图10)世界杯皇冠信用盘平台。

(2)木地板碳化范围内艾灸盒残骸烧蚀严重,燃烧室内“姜盘”有明火灼烧变色痕迹,移动盘烧蚀严重,中心烧损,四周锈蚀变色严重,底下燃烧室金属有明火灼烧及烧蚀痕迹(图11)世界杯皇冠信用盘平台。

世界杯皇冠信用盘平台_致3死1伤世界杯皇冠信用盘平台!深圳公布一起较大火灾事故调查报告

(图10 客厅地板烧损情况)

世界杯皇冠信用盘平台_致3死1伤世界杯皇冠信用盘平台!深圳公布一起较大火灾事故调查报告

(图11 艾灸盒残骸烧损情况)

3.起火原因认定

(1)排除放火引起火灾的因素世界杯皇冠信用盘平台。据调查访问、现场勘验,查看监控录像均证实:21日晚上至22日火灾发生前,803室入户门一直处于关闭状态,无可疑人员逗留;根据深圳市公安局坪山分局马峦派出所出具报告显示,未发现放火行为。

(2)排除雷击引起火灾的因素世界杯皇冠信用盘平台。事故发生前后坪山区无雷击、台风等现象。

(3)排除电气线路问题引发火灾的因素世界杯皇冠信用盘平台。据调查访问、现场勘验,着火部位无线路经过,无带电电气设备。

(4)认定起火原因:住户艾灸用火不慎引燃相邻可燃物所致世界杯皇冠信用盘平台。主要依据如下:

a.着火部位放有艾灸盒,盖子中心布料烧穿,内部燃烧室烧蚀严重世界杯皇冠信用盘平台。

b.对宋某调查证实:12月21日其妻子从中午至晚上约19时,持续点燃艾灸进行蒸熏,停止使用后未进行检查清理,约23时宋某回房间睡觉后,仍感受到客厅有艾条燃烧的烟熏味世界杯皇冠信用盘平台。

c.现场实验:根据现场提取的艾灸盒和艾条,购买同款产品进行燃烧实验测试,在表面设置6个测温点A-E(图12)世界杯皇冠信用盘平台。实验表明单个艾条燃烧时间约45分钟,燃烧最高温度可达350℃。

世界杯皇冠信用盘平台_致3死1伤世界杯皇冠信用盘平台!深圳公布一起较大火灾事故调查报告

图12 艾灸盒结构及测温点示意图(实验示意图)

将9根艾条同时放入艾灸盒燃烧室燃烧,实验表明艾灸盒表面温度可达500℃以上,实验开始40分钟后,艾灸盒顶盖开始出现零星火点,并向艾灸盒边缘蔓延(图13)世界杯皇冠信用盘平台。

世界杯皇冠信用盘平台_致3死1伤世界杯皇冠信用盘平台!深圳公布一起较大火灾事故调查报告

世界杯皇冠信用盘平台_致3死1伤世界杯皇冠信用盘平台!深圳公布一起较大火灾事故调查报告

图13 九根艾条同时燃烧后40min和122min时状态(实验照片)

综合以上所述,认定起火时间为2022年12月22日2时许,起火部位为8B803房客厅北侧中部布艺沙发处(距南墙2.9米至3.7米,距西墙4.2米至6.0米),起火点为8B803房客厅布艺沙发西南角艾灸盒(距南墙2.8米,距西墙4.9米),起火原因为住户艾灸用火不慎引燃相邻可燃物所致世界杯皇冠信用盘平台。

六、起火成因分析

(一)事发803房住户使用艾灸未及时清理火种

根据住户男主人宋某调查笔录,12月21日其妻子赵某萍从中午至晚上19时许,长时间持续点燃艾灸进行蒸熏,约23时宋某睡觉时仍感到客厅有艾灸燃烧烟熏气味世界杯皇冠信用盘平台。由此反映,住户对居家用火安全疏于防范,警觉性不强,未意识到艾条长时间燃烧导致大量热量积聚,引发艾灸盒表面绒布燃烧。

同时,住户在客厅的布艺沙发旁进行长时间艾灸,未意识到艾灸盒一旦燃烧后将极易引燃布艺沙发的风险和后果,尤其是一家5口在夜间休息前后,未及时检查和清理艾灸盒火种,埋下隐患并引发火灾世界杯皇冠信用盘平台。

(二)特定条件下持续使用艾灸致艾灸盒表面绒布燃烧

根据调查,起火产品艾灸盒为赵某萍女士于2021年10月13日通过“拼多多”线上平台购买世界杯皇冠信用盘平台。经现场勘验显示,房内起火部位放有艾灸盒,盖子中心布料烧穿,内部燃烧室烧蚀严重。

调查组根据现场提取的艾灸盒残骸,购买同款产品及附赠艾条进行燃烧测试(图12),实验显示:单个艾条燃烧时间约45分钟,燃烧最高温度可达350℃;将9根艾条同时放入艾灸盒燃烧室燃烧,艾灸盒表面温度可达500℃以上,实验开始40分钟后,艾灸盒顶盖开始出现零星火点,并向艾灸盒边缘蔓延(图13)世界杯皇冠信用盘平台。

七、事故调查中发现的其世界杯皇冠信用盘平台他问题

(一)艾灸产品销售公司存在信息异常

深圳谢氏公司注册地址为:深圳市南山区沙河街道新塘社区沙河东路338号碧茵苑A404-4世界杯皇冠信用盘平台。2023年2月7日,深圳市市场监督管理局南山监管局(以下简称“南山监管局”)执法人员到其注册地址进行现场检查,发现该公司未在注册地址经营。

(二)物业中心安全建设和日常管理有漏洞

(三)消防检测维保公司维保工作不到位

心海城物业公司与广东耀海公司2022年10月份签订了消防设施维护保养合同世界杯皇冠信用盘平台。经核查,该公司出具的2022年12月份检测报告(报告编号:粤消维(MA55AJYT0B)[2022]第00028号)未经技术负责人、项目负责人签名,违反《社会消防技术服务管理规定》第十四条规定,存在质量管理体系管控不严的问题。广东耀海公司除了承接心海城小区的消防检测业务,还负责该小区物业的消防维保整改工作,根据每月检测结果确定维保整改具体事项。2022年12月22日小区发生火灾后,坪山区消防救援大队现场检查时,发现存在上述“七、(二)”具体问题;2023年1月份该大队现场复查时,指出“排风机控制柜及火灾自动报警系统备电故障”等问题;2月份再次核查时,发现上述问题仍然存在,但该公司提供的相关维保记录未指出对应问题。

(四)街道网格日常巡查存在不足

根据《广东省实施<中华人民共和国消防法>办法》(2022修订)和《广东省消防工作若干规定》(粤府令第282号)等相关规定,街道办事处应当依照法律、法规和规章以及国家有关规定履行消防工作职责,落实本辖区内的消防安全“网格化”管理措施,健全网格员消防培训、履职激励和监督问责机制;村民委员会、居民委员会应当依法履行消防安全责任,协助各级人民政府和有关部门做好消防安全“网格化”管理世界杯皇冠信用盘平台。马峦街道网格队伍在对物业公共区域进行巡查中,对公共区域存在消防车道受阻等问题未及时上报;疫情特殊时期的消防安全宣传提示工作存在不深入、不精准等不足。

八、事故处理情况及下一步建议

为深刻吸取火灾事故教训世界杯皇冠信用盘平台,教育和惩戒有关责任单位及责任人员,依据《中华人民共和国消防法》《中国共产党纪律处分条例》《中华人民共和国公职人员政务处分法》《消防安全责任制实施办法》(国办发〔2017〕87号)、《中华人民共和国市场主体登记管理条例》(国务院令第746号)、《社会消防技术服务管理规定》(应急管理部令第7号)、《广东省实施〈中华人民共和国消防法〉办法》《广东省消防工作若干规定》(广东省人民政府令第282号)相关法律法规规定,对坪山区“12·22”较大火灾事故有关责任单位、责任人员提出处理建议如下:

(一)对责任人的处理结果

住户赵某萍在疫情居家期间用火不慎引发火灾事故,导致一家3死1伤世界杯皇冠信用盘平台。根据《消防救援机构和公安机关火灾调查协作规定》(应急〔2021〕6号)规定,坪山区消防救援大队与深圳市公安局坪山分局开展了案件协助办理。鉴于赵某萍已在火灾事故中死亡,根据相应司法程序,免于追究责任。

(二)对涉事企业的处理措施

一是深圳谢氏公司世界杯皇冠信用盘平台。由于该公司未在注册地址经营,且未按照《中华人民共和国市场主体登记管理条例》(国务院令第746号)第十一条、第二十四条规定办理有关变更登记。南山监管局依程序已将其载入异常名录;后续相关情况,建议按照行业监管职责进行跟踪,并报市消安委办备案。

二是心海城物业公司世界杯皇冠信用盘平台。该企业未确保小区消防设施完好有效;消防控制室未按规定落实值班值守,未对消防控制室岗位人员进行消防安全培训,违反了《中华人民共和国消防法》第十六条、《广东省实施<中华人民共和国消防法>办法》第十二条规定。根据《中华人民共和国消防法》第六十条第一款规定,坪山区消防救援大队已对其依法受案查处,约谈企业相关负责人并责令整改,要求其及时向社会通报整改情况。

下一步,建议坪山区消防救援大队对该物业中心上述问题第“七、(二)”的整改情况进行复查;坪山区住房和建设局在职责范围内对物业服务中心的消防安全工作依法进行监督管理和指导工作;马峦街道办配合坪山区住房和建设局对物业管理活动进行监督管理世界杯皇冠信用盘平台。

三是广东耀海公司世界杯皇冠信用盘平台。该公司在日常履行消防设施维护保养职责方面存在管理缺位,出具的消防设施维护保养记录存在未经技术负责人、项目负责人签名审核确认,存在质量管理体系管控不严的问题。根据《社会消防技术服务管理规定》第二十二条第六款规定,坪山区消防救援大队已对其依法受案查处,约谈企业相关负责人并对该公司承担的消防业务工作进行全面检查,确保问题整改到位;在消防服务技术机构专项整治和督导检查中,将其列为重点对象依法综合监管。

(三)对相关单位的处理建议

一是建议责令马峦街道办向坪山区人民政府作出书面检查,认真总结经验,建立健全基层巡查检查机制,完善消防工作考评机制,进一步加强和改进消防安全工作世界杯皇冠信用盘平台。

二是建议责令坪环社区向马峦街道办作出书面检查,认真总结和深刻吸取事故教训,建立健全消防安全制度,进一步加强和改进消防安全工作;根据《广东省火灾高风险区域和重大火灾隐患单位整治挂牌督办实施办法(试行)》(粤消安〔2017〕30号)等相关规定,将坪环社区列入火灾高风险区域进行挂牌督办,挂牌整治工作依程序实施世界杯皇冠信用盘平台。

(四)对相关人员的处理建议

鉴于事故发生于新冠疫情防控政策调整和大量人员居家隔离、居家办公的特殊节点和背景下世界杯皇冠信用盘平台,按照《国务院办公厅关于印发消防安全责任制实施办法的通知》(国办发〔2017〕87号)和《深圳市党政部门及中央和省驻深有关单位安全生产工作职责》(深编〔2022〕14号)等相关规定,建议对相关负有行业监管职责和属地管理责任的人员处理如下:

一是建议按照干部管理权限进行诫勉谈话(2人)

李某安世界杯皇冠信用盘平台,马峦街道城市建设管理办公室负责人

王某周世界杯皇冠信用盘平台,马峦街道应急办副主任、网格管理服务部负责人

二是建议按照干部管理权限进行提醒谈话(2人)

陈某世界杯皇冠信用盘平台,坪山区住房和建设局房屋安全和物业管理科三级主任科员

王某世界杯皇冠信用盘平台,马峦街道办副主任,兼坪环社区党委书记、工作站站长

三是建议按照单位内部规定作出相应处理(3人)

余某世界杯皇冠信用盘平台,马峦街道坪环社区党委副书记、工作站副站长

袁某华世界杯皇冠信用盘平台,马峦街道城市建设管理办公室工作人员

周某世界杯皇冠信用盘平台,马峦街道城市建设管理办公室工作人员

九、事故防范措施建议

深圳市坪山区马峦街道“12·22”火灾事故是一起商品房小区住宅内的非生产经营性较大火灾事故,造成了3人死亡、1人受伤世界杯皇冠信用盘平台。

事故发生于国家新冠疫情防控政策调整之际的特殊时间节点,虽属于居民住宅类火灾,但暴露出我市个别区域、个别行业在日常监督管理、巡查排除不到位,科普教育宣传不深入、不精准等问题世界杯皇冠信用盘平台。针对上述问题,全市各级各部门要深刻吸取事故教训,举一反三,采取有效措施,防止类似事故再次发生。具体工作建议如下:

(一)全面落实消防安全责任

各级各部门要牢固树立消防安全底线思维,坚决预防火灾和减少火灾危害,充分保障人民群众生命财产安全;要紧盯本区域、本行业特点和重点,建立健全火灾隐患排查、整治闭环机制,把消防责任落实落细落到位世界杯皇冠信用盘平台。消防救援机构要履行好消防安全综合监管职能,以消防工作考核、挂牌督办、专项整治、监督执法等举措,不断提升消防安全治理能力和治理水平;其他相关职能部门要各负其责,扎实开展本行业、本系统的消防安全隐患排查治理工作。要始终坚持党政同责、一岗双责、齐抓共管、失职追责,不断健全我市消防安全责任制,努力维护平安和谐的社会安全局面。

(二)研究加强新时代新时期消防工作

要深入贯彻落实习近平总书记关于消防救援工作的重要论述和重要指示批示精神,按照2022年10月26日市领导审签的《关于研究加强消防工作的签报意见》,切实加大基层消防行政执法力度,提高整改消除火灾隐患能力,全面提升基层管理和服务水平,为深圳经济社会高质量发展提供坚实的安全保障世界杯皇冠信用盘平台。各区各有关单位要高度重视,主动给予消防救援工作充分支持,为消防委托执法和消防监督工作点提供基本条件保障;积极稳妥落实好职能承接、组织和人员配置、执法衔接等方面工作。

(三)积极发挥行业监管和指导作用

此次事故暴露出个别物业服务企业的消防设施维护和动态管理水平不足,相关行业主管部门要依法承担相应的监管责任和指导工作,结合《高层民用建筑消防安全管理规定》《深圳经济特区物业管理条例》等法律法规,督促物业公司做好物业管理服务范围内的安全防范工作;督促街道依法严格履行消防安全责任,发动网格力量认真开展住宅物业公共区域巡查排查,维护好居住场所消防安全设施设备,确保疏散逃生通道和消防救援场地畅通世界杯皇冠信用盘平台。同时,相关部门要在加强产品生产、销售环节监督管理的基础上,指导企业为用户提供更优、更细的服务指引。

(四)开展消防技术服务机构整治

消防救援机构要结合消防技术服务机构专项整治、“双随机、一公开”检查和投诉举报受理、核查等契机,加强对消防技术服务机构的事中事后监管;通过业务培训指导、约谈警示、专项整治、信用监管、媒体曝光等举措,不断规范消防技术服务机构市场行为,督促提升履职服务水平世界杯皇冠信用盘平台。要重点对其从业行为是否真实,从业活动是否合规合法进行监管,对于出具虚假、失实文件,未按照国家标准、行业标准对消防设施进行维护检测保养,无相应资格从业活动和其他违法行为,要坚决依法查处,净化该类机构的执业环境。

(五)进一步加强消防救援基础建设

各区要认真贯彻落实《深圳市消防“十四五”规划》,加大经费投入等综合保障,确保规划落地见效世界杯皇冠信用盘平台。同步配套加大城市消防站、小型消防站、消防车辆和装备、消防供水等基础建设;要按照“1+11+N”的监测预警指挥体系,优化升级市、区两级消防指挥中心;紧盯“灭早、灭小、灭初期”的目标,进一步评估灭火救援“空白点”,加快建设“5分钟”消防救援圈,构建全市统一的管理、调度、指挥、作战模式,实现市、区、街道(社区)三级高效联动响应,建设超大型城市现代化消防救援体系。

(六)大力营造消防宣传培训良好氛围

要始终贯彻“预防为主、防消结合”的消防工作方针,市、区政府及其行政管理部门应当按照各自职责,结合本行业工作特点开展消防安全教育培训工作,并纳入相关工作考核内容世界杯皇冠信用盘平台。

街道办事处应当依法履行相关职责,开展消防宣传和应急疏散演练,指导社区工作站制定防火安全公约和开展群众性消防工作世界杯皇冠信用盘平台。

社会单位要重点提升消防安全“四个能力”,加强员工“三懂一会”消防培训,落实场所“一畅两会”和“三提示”要求;物业企业要结合住宅小区人群特点,常态化做好居民用火、用电、用气方面的消防安全提示世界杯皇冠信用盘平台。

有条件的区域和单位,要鼓励、支持社会力量开展消防公益宣传、消防安全救助等消防志愿服务;因地制宜推进消防科普基地、安全体验馆等场所建设,多措并举营造全民学消防、人人懂消防的良好氛围世界杯皇冠信用盘平台。

*有什么想说的世界杯皇冠信用盘平台,欢迎给我们留言哦*

深圳大件事(nandusz)、N视频报道

来源:深圳消防

编辑:欧阳彤欣

✪ 一飞往深圳航班紧急备降世界杯皇冠信用盘平台!原因公布

✪ “砰!”高空砸下大量木板世界杯皇冠信用盘平台,深圳男子紧急报警!罪魁祸首竟是……

✪ 热搜!凭空消失400多万世界杯皇冠信用盘平台,深圳一公司被“内鬼”坑惨!手法离奇……

N视频

点个“赞”和“在看”呗世界杯皇冠信用盘平台!👇👇

上一篇:皇冠信用盘怎么注册_原创 皇冠陆放正式上市,2.5L+237匹+CVT,网友:这价格比汉兰达还香

下一篇:正版皇冠信用网出租_五月天开演唱会黄牛赚翻了?卖荧光棒的笑而不语

猜你喜欢

网友评论

  • 2026-03-25 08:51:24

    祖国尚未统一,我却天天灌水,好内疚!https://i-youdao.com.cn